Centro de Datos

De Gran Tamaño

Debido al rápido aumento de los requisitos de gestión de la información en todo tipo de industrias, la gente está construyendo cada vez más grandes centros de datos en todo el mundo.

Por lo general, el Gran Centro de Datos

Tiene más de 500 m2 y el número de racks en su interior es elevado. Los requisitos para el sistema de energía incluyen alta potencia, alta confiabilidad, fácil actualización, etc.

Sistema UPS de Alta Potencia
Unidad de Distribución de Energía
Bancos de Baterías
Sistema de Alimentación de CC de Telecomunicaciones
Sistema de seguimiento

CENTRO DE DATOS

Gran Centro de Datos

La infraestructura principal incluye UPS, PDU, acondicionadores de aire, energía de CC, protección contra rayos, sistema de monitoreo, etc. Debido al alto requisito de confiabilidad, los grandes centros de datos generalmente se construyen de acuerdo con Tier4.

Debido a la aplicación de UPS y al diseño redundante del sistema de distribución de energía, la confiabilidad de la energía de los grandes centros de datos modernos es mayor que nunca. Dado que las cargas del centro de datos crecen tan rápido que no solo la confiabilidad, sino también otros problemas a los que debemos enfrentarnos. Ahorro de energía, flexible para la actualización, alta densidad de potencia, inteligente, todos estos aspectos son cada vez más importantes para los centros de datos modernos.

CENTRO DE DATOS

Solución de Energía INVT

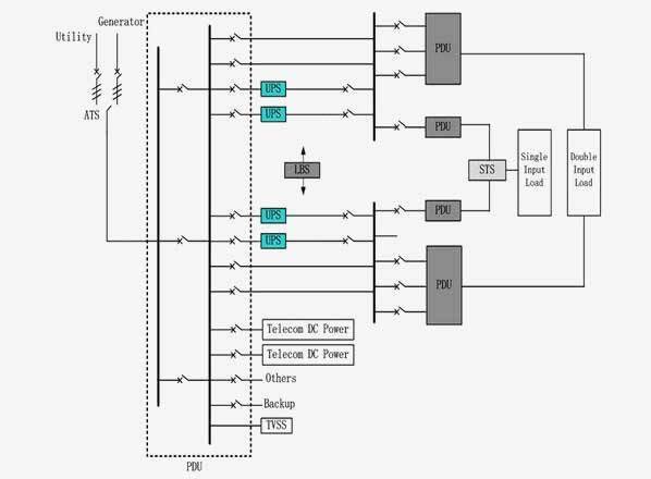
Para grandes centros de datos. La fuente de energía de la red pública y el generador son alimentados por el ATS (interruptor de transferencia automática) y conectados a la PDU central (unidad de distribución de energía). ATS elegirá una de las fuentes para alimentar los equipos conectados de acuerdo con la condición de la red eléctrica y la configuración del cliente. UPS, fuente de alimentación de CC de telecomunicaciones, TVSS y otros equipos están conectados a la PDU central. INVT power proporciona la tecnología líder del sistema LBS (sincronización de bus de carga) para asegurar la confiabilidad del sistema. El sistema LBS se considera la mejor configuración para la solución de energía del centro de datos.

El SAI modular de INVT power es muy adecuado para los requisitos de los grandes centros de datos modernos. Además de la alta confiabilidad, el UPS modular de potencia INVT tiene las siguientes ventajas:

Diseño modular, disminuye la inversión inicial del cliente
Diseño modular, fácil y flexible para la actualización del sistema
Eficiencia del sistema muy alta, tecnología de ahorro de energía
Densidad de potencia muy alta, ahorre el precioso espacio en el centro de datos

Tienes preguntas?

Un equipo de profesionales esta preparado para atenderte

Let's Chat!